Tuesday, 30 November 2021

[Get 41+] Wiring Diagram Ac Great Corolla

Get Images Library Photos and Pictures. Manuals 2004 Toyota Corolla Air Conditioning Wiring Diagrams Full Version Hd Quality Wiring Diagrams Ting Securpolgroup It Kk 1806 Mirror Wiring Diagram Toyota Corolla Air Conditioning Diagram Download Diagram 2004 Toyota Corolla Air Conditioning Wiring Diagrams Wiring Diagram Ranger1 Ranger1 Concorsomusicalmuseo It Toyota Corolla 1 6 Ecu Wiring

Electrical wiring diagram of tvss v for corolla lhd corolla lhd 9 corolla e12 a e12 d tvss v corolla lhd 8 corolla e12 a e12 d tvss v 05 04 e5le12adj 0 05 04 lug rm lp dome lp h o o d s w efi ecu meter meter ul ul l l k12k40 k36 k21 k35 k20 k16 k17 k5 k6 k25k23 k3 k10 k2 k34 k27 k24 k11 k8 k26 k29 k37 k9k28 k7 tvss v ecu l1 l8 l10 l3 l2 l6 l7 pre connector j4 j1 j3 j6 j8 gbs. Best 2006 toyota corolla stereo wiring diagram simple radio 2017.

. 2004 Corolla Air Conditioning Wiring Diagram Rotating Machines Manufactured Goods Toyota Xli Wiring Diagram Completed Wiring Diagram Wheel B Bertarellisavino It 1998 Corolla Wiring Diagram Database Wiring Diagram Express Express Media Piu It

Electrical Wiring Diagram Car Wiring Diagram Motorcycle Schematic Diagram Toyota Corolla Electrical Wiring Diagram Model Electrical Wiring Diagram Car Wiring Diagram Motorcycle Schematic Diagram Toyota Corolla Electrical Wiring Diagram Model

Electrical Wiring Diagram Car Wiring Diagram Motorcycle Schematic Diagram Toyota Corolla Electrical Wiring Diagram Model Toyota corolla stereo wiring diagram sample toyota corolla wiring diagram unique 89 toyota pickup radio wiring.

Electrical Wiring Diagram Car Wiring Diagram Motorcycle Schematic Diagram Toyota Corolla Electrical Wiring Diagram Model

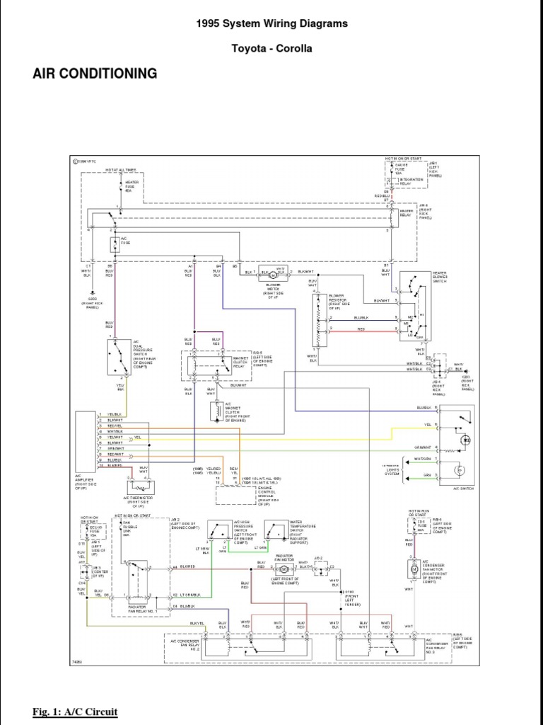
. Gray radio ground wire. Toyota corolla electrical wiring diagram model toyota corolla electrical wiring diagram 2004 model written for toyota dealership mechanics this factory published original wiring diagram shows you how to follow the wiring from bumper to bumper. Home contact dmca.

Merely said the engine control diagram coralla great is universally compatible with any devices to read book engine control diagram coralla great 2009 2010 toyota corolla wiring diagrams em12r1u em12r1u download pdf. Wiring diagram ac great corolla. None front speakers size.

Blackred radio amp trigger wire. Green radio dimmer wire. Finally i get this ebook thanks for all these.

2000 solara fuse box free download wiring diagram schematic auto. Doors left front speaker wire. To get started finding wiring diagram ac great corolla diagram files free downloads you are right to find our website which has a comprehensive collection of manuals listed.

Brown radio illumination wire. Na radio antenna trigger wire. Assortment of 2010 corolla radio.

Blueyellow radio switched 12v wire. Toyota sprinter pdf workshop and repair manuals wiring diagrams. Autozone repair guide for your chassis electrical wiring diagrams wiring diagrams.

1995 toyota corolla car stereo radio wiring diagram radio constant 12v wire. 2004 toyota corolla electrical wiring diagram abbreviations. Our library is the biggest of these that have literally hundreds of thousands of different products represented.

2006 toyota corolla stereo wiring diagram realestateradio. 5 14 front speakers location. Toyota corolla electrical wiring diagram toyota corolla auris electrical wiring diagram em04f1e.

Pink left front speaker wire.

Toyota Corolla Overall Electrical Wiring Diagram Pdf Free Download Toyota Corolla Overall Electrical Wiring Diagram Pdf Free Download

Diagram Wiring Diagram Toyota Great Corolla Full Version Hd Quality Great Corolla 9enginer Renault4 Fr Diagram Wiring Diagram Toyota Great Corolla Full Version Hd Quality Great Corolla 9enginer Renault4 Fr

2004 Toyota Corolla Ac Wiring Wiring Diagrams Central Central Inmediarex It 2004 Toyota Corolla Ac Wiring Wiring Diagrams Central Central Inmediarex It

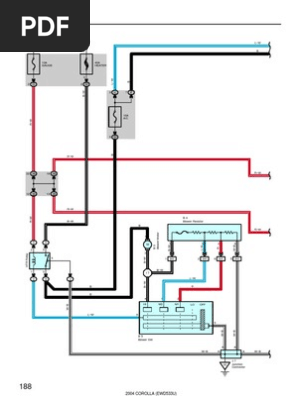
2004 Corolla Air Conditioning Wiring Diagram Rotating Machines Manufactured Goods 2004 Corolla Air Conditioning Wiring Diagram Rotating Machines Manufactured Goods

Diagram Wiring Diagram Ac Great Corolla Full Version Hd Quality Great Corolla Bestbuysengine Axtem Gomes Fr Diagram Wiring Diagram Ac Great Corolla Full Version Hd Quality Great Corolla Bestbuysengine Axtem Gomes Fr

Ae101 Wiring Ae101 Wiring

Kk 1806 Mirror Wiring Diagram Toyota Corolla Air Conditioning Diagram Download Diagram Kk 1806 Mirror Wiring Diagram Toyota Corolla Air Conditioning Diagram Download Diagram

1994 Toyota Corolla A C Compressor Wiring Diagram Gm Alternator Wiring Diagram 130 Coorsaa Lalu Decorresine It 1994 Toyota Corolla A C Compressor Wiring Diagram Gm Alternator Wiring Diagram 130 Coorsaa Lalu Decorresine It

2004 Toyota Corolla Air Conditioning Wiring Diagrams Wiring Diagram Ranger1 Ranger1 Concorsomusicalmuseo It 2004 Toyota Corolla Air Conditioning Wiring Diagrams Wiring Diagram Ranger1 Ranger1 Concorsomusicalmuseo It

2004 Toyota Corolla Air Conditioning Wiring Diagrams Wiring Diagrams Img Progress A Progress A Farmaciastorelli It 2004 Toyota Corolla Air Conditioning Wiring Diagrams Wiring Diagrams Img Progress A Progress A Farmaciastorelli It

1995 Toyota Corolla Wiring Diagram Schematic Wiring Diagram Future One Future One Infrangibiletattooshop It 1995 Toyota Corolla Wiring Diagram Schematic Wiring Diagram Future One Future One Infrangibiletattooshop It

2004 Toyota Corolla Air Conditioning Wiring Diagrams Wiring Diagrams Img Progress A Progress A Farmaciastorelli It 2004 Toyota Corolla Air Conditioning Wiring Diagrams Wiring Diagrams Img Progress A Progress A Farmaciastorelli It

Toyota Corolla Overall Electrical Wiring Diagram Pdf Free Download Toyota Corolla Overall Electrical Wiring Diagram Pdf Free Download

07 Toyota Corolla Wiring Diagram Wiring Diagrams Img Random A Random A Farmaciastorelli It 07 Toyota Corolla Wiring Diagram Wiring Diagrams Img Random A Random A Farmaciastorelli It

Wiring Harness From Air Conditioner Amplifier Color Coding Or Wiring Harness From Air Conditioner Amplifier Color Coding Or

Https Www Toyotadriver Ru Storage 98 Pdf Https Www Toyotadriver Ru Storage 98 Pdf

Toyota Corolla Ac Wiring Diagram Image Details Toyota Corolla Ac Wiring Diagram Image Details

1993 Toyota Corolla Wiring Diagram Manual Wiring Diagrams Update Update Adriengirod Fr 1993 Toyota Corolla Wiring Diagram Manual Wiring Diagrams Update Update Adriengirod Fr

Kk 1806 Mirror Wiring Diagram Toyota Corolla Air Conditioning Diagram Download Diagram Kk 1806 Mirror Wiring Diagram Toyota Corolla Air Conditioning Diagram Download Diagram

Toyota Wire Diagram Completed Wiring Diagram Wheel A Bertarellisavino It Toyota Wire Diagram Completed Wiring Diagram Wheel A Bertarellisavino It

07 Toyota Corolla Wiring Diagram Wiring Diagrams Img Random A Random A Farmaciastorelli It 07 Toyota Corolla Wiring Diagram Wiring Diagrams Img Random A Random A Farmaciastorelli It

C 12925439 Toyota Coralla 1996 Wiring Diagram Overall C 12925439 Toyota Coralla 1996 Wiring Diagram Overall

Kk 1806 Mirror Wiring Diagram Toyota Corolla Air Conditioning Diagram Download Diagram Kk 1806 Mirror Wiring Diagram Toyota Corolla Air Conditioning Diagram Download Diagram

1995 Toyota Corolla Wiring Wiring Diagram Award Award Mukura Fr 1995 Toyota Corolla Wiring Wiring Diagram Award Award Mukura Fr

No comments:

Post a Comment